current Главная > Продукт > Серия управления замком >МС744-3

МС744-3
Shengjiu Group

МС744-3

Описание товара

Материал: сердечник замка из цинкового сплава, основание, болт из углеродистой стали;

Обработка поверхности: основание из белого цинка, стальной болт;

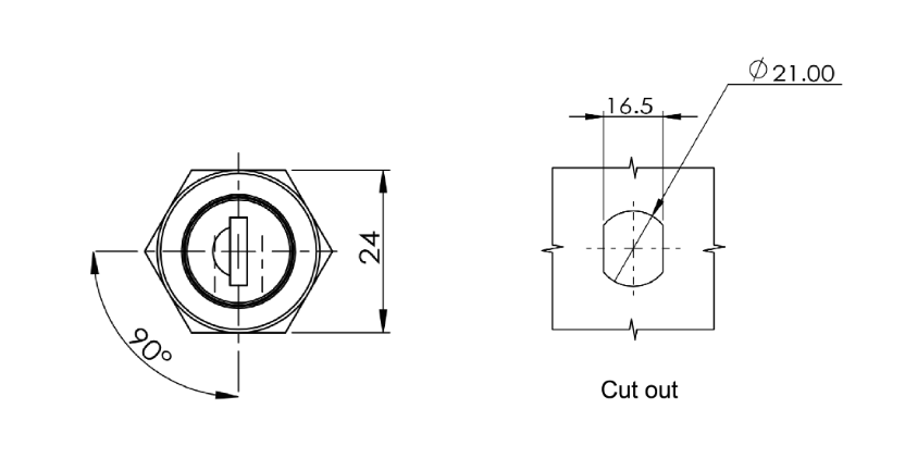
Описание конструкции: Поверните на 90°, чтобы открыть или зафиксировать;

Примечание. Ключ K28-5 используется по умолчанию.


параметр производительности

Максимальная статическая нагрузка: 140 Н.

Рекомендуемый момент затяжки крепежных гаек: 20 Нм.

Технические параметры


Информация о чертеже

Application solution
    Нет данных
Рекомендовать информацию
Рекомендуемые продукты
Консультация по продукту
Политика конфиденциальности
×

Политика конфиденциальности

Обновление данных продолжается......









+0086-574-87845333
info@shengjiu.com
Sengjiu Road No 1, город Дайин, город Юяо, провинция Чжэцзян, Китай 315423